東晟產品分類
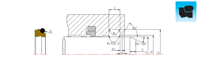
DSZ組合防塵圈的型號規格表及溝槽尺寸
來源:東莞市東晟密封件科技有限公司 - m.hzxsih.com.cn更新時間:2015-06-22
組合防塵圈 Scrapers - DSZ |

DSZ組合防塵圈的型號規格表及溝槽尺寸_型號規格
訂貨號
Order Number
d
h9
D
H9
L
±0.2
D1
h11
a
min
訂貨號
Order Number
d
h9
D
H9
L
±0.2
D1
h11
a
min
DSZ0200
20
27.6
4.2
21.5
3
DSZ1800
180
196
9.5
182.5
5
DSZ0250
25
32.6
4.2
26.5
3
DSZ1900
190
206
9.5
192.5
5
DSZ0280
28
35.6
4.2
29.5
3
DSZ2000
200
216
9.5
202.5
5
DSZ0300
30
37.6
4.2
31.5
3
DSZ2050
205
221
9.5
207.5
5
DSZ0320
32
39.6
4.2
33.5
3
DSZ2100
210
226
9.5
212.5
5
DSZ0360
36
43.6
4.2
37.5
3
DSZ2200
220
236
9.5
222.5
5
DSZ0400
40
48.8
6.3
41.5
3
DSZ2400
240
256
9.5
242.5
5
DSZ0420
42
50.8
6.3
43.5
3
DSZ2500
250
266
9.5
252.5
5
DSZ0450
45
53.8
6.3
46.5
3
DSZ2600
260
276
9.5
262.5
5
DSZ0500
50
58.8
6.3
51.5
3
DSZ2700
270
286
9.5
272.5
5
DSZ0550
55
63.8
6.3
56.5
3
DSZ2800
280
296
9.5
282.5
5
DSZ0560
56
64.8
6.3
57.5
3
DSZ3000
300
316
9.5
302.5
5
DSZ0600
60
68.8
6.3
61.5
3
DSZ3200
320
336
9.5
322.5
5
DSZ0630
63
71.8
6.3
64.5
3
DSZ3300
330
346
9.5
332.5
5
DSZ0650
65
73.8
6.3
66.5
3
DSZ3500
350
366
9.5
352.5
5
DSZ0700
70
82.2
8.1
72
4
DSZ3600
360
376
9.5
362.5
5
DSZ0750
75
87.2
8.1
77
4
DSZ3800
380
396
9.5
382.5
5
DSZ0800
80
92.2
8.1
82
4
DSZ4000
400
424
14
402.5
8
DSZ0850
85
97.2
8.1
87
4
DSZ4400
440
464
14
442.5
8
DSZ0900
90
102.2
8.1
92
4
DSZ4500
450
474
14
452.5
8
DSZ0950
95
107.2
8.1
97
4
DSZ4800
480
504
14
482.5
8
DSZ1000
100
112.2
8.1
102
4
DSZ5000
500
524
14
502.5
8
DSZ1050
105
117.2
8.1
107
4
DSZ5600
560
584
14
562.5
8
DSZ1100
110
122.2
8.1
112
4
DSZ6000
600
624
14
602.5
8
DSZ1150
115
127.2
8.1
117
4
DSZ6500
650
677.3
16
652.5
10
DSZ1200
120
132.2
8.1
122
4
DSZ6800
680
707.3
16
682.5
10
DSZ1250
125
137.2
8.1
127
4
DSZ7000
700
727.3
16
702.5
10
DSZ1300
130
142.2
8.1
132
4
DSZ7700
770
797.3
16
772.5
10
DSZ1350
135
147.2
8.1
137
4
DSZ7850
785
812.3
16
787.5
10
DSZ1400
140
156
9.5
142.5
5
DSZ8000
800
827.3
16
802.5
10
DSZ1450
145
161
9.5
147.5
5
DSZ8100
810
837.3
16
812.5
10
DSZ1500
150
166
9.5
152.5
5
DSZ9000
900
927.3
16
902.5
10
DSZ1550
155
171
9.5
157.5
5
DSZ9500
950
977.3
16
952.5
10
DSZ1600
160
176
9.5
162.5
5
DSZ10000
1000
1027.3
16
1002.5
10
DSZ1650
165
181
9.5
167.5
5
DSZ10400
1040
1067.3
16
1042.5
10
DSZ1700
170
186
9.5
172.5
5
DSZ11300
1130
1157.3
16
1132.5
10
DSZ1750
175
191
9.5
177.5
5
DSZ12000
1200
1227.3
16
1202.5
10
公制溝槽尺寸(mm)
軸徑 d h9
溝槽底徑 D H9
槽寬 L +0.2
D1 h11
O型圈線徑d1
a
R1≤
C≥
20~36
d+7.6
4.2
d+1.5
2.65
3
0.4
2
40~65
d+8.8
6.3
d+1.5
2.65
3
0.4
2
70~135
d+12.2
8.1
d+2
3.55
4
0.8
3
140~380
d+16
9.5
d+2.5
5.3
5
1.2
5
400~600
d+24
14
d+2.5
7
8
1.6
7.5
650~1200
d+27.3
16
d+2.5
8.4
10
1.6
8
東晟密封精選知識小百科推薦:
■組合密封圈DHDP的公制溝槽尺寸(mm)及技術參數 - 技術支持
關鍵詞:密封圈|密封件|組合防塵圈|DSZ|密封圈公制溝槽|密封件溝槽尺寸|密封圈技術參數|孔用密封圈|組合密封圈